网站首页
关于佳成
我们的故事
产品展示
安全光幕
激光扫描雷达
激光位移传感器
颜色传感器
超声波传感器
安全门锁
安全地毯
光电传感器
激光传感器
接近传感器
槽型传感器
光纤传感器
新闻资讯
行业知识
资料下载
客户案例
联系我们
网站首页
关于佳成
我们的故事
产品展示
安全光幕
激光扫描雷达
激光位移传感器
颜色传感器
超声波传感器
安全门锁
安全地毯
光电传感器
激光传感器
接近传感器
槽型传感器
光纤传感器
新闻资讯
行业知识
资料下载
客户案例
联系我们
13537344106
Product
产品中心
安全光幕
激光扫描雷达
激光位移传感器
颜色传感器
超声波传感器
安全门锁
安全地毯
光电传感器
激光传感器
接近传感器
安全光幕
激光扫描雷达
激光位移传感器
颜色传感器
超声波传感器
安全门锁
安全地毯
光电传感器
激光传感器
接近传感器
槽型传感器
光纤传感器
首页
>>
产品展示
>>
激光位移传感器
激光位移传感器JGFL-G系列
激光位移传感器JGFL-G系列
产品分类
激光位移传感器
产品描述
特性
o分辨率2μm。
高精度型激光位移传感器。
⊙测量中心距离85mm检测范围±20mm。
⊙小尺寸、小光点、多种检测模式、高精准。
联系我们
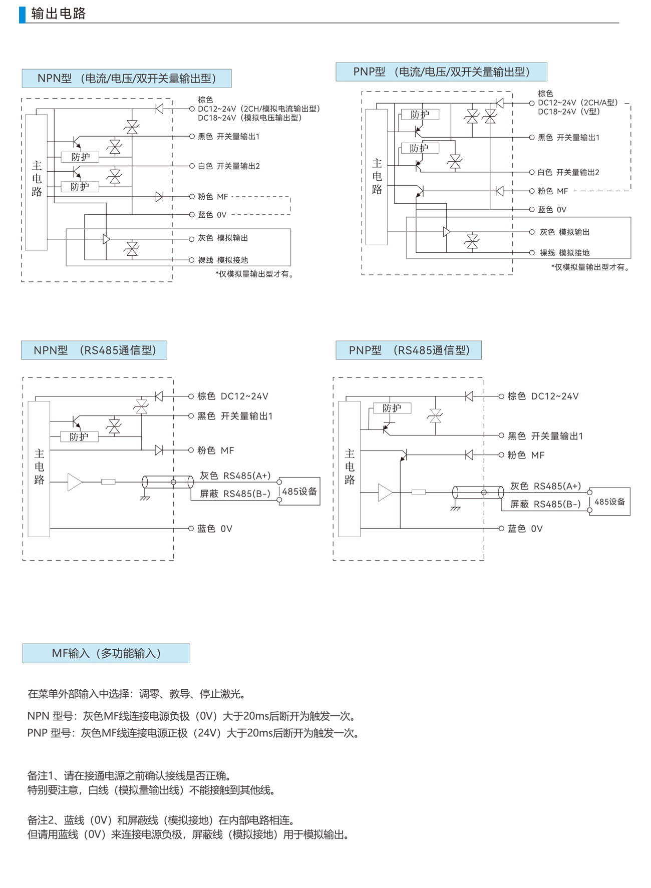
产品详情
技术参数
选型表
(1、单击”光轴间距“选项卡选择你要的参数;2、直接联系客服选型;)
光轴间距距(2.5mm)
光轴间距(10mm)
光轴间距(20mm)
光轴间距(40mm)
Copyright © 2023 广东佳成智能传感器有限公司, All Rights Reserved 技术支持:天熠科技 备案号:
粤ICP备2023011219号
网站地图 网站XML地图